SWL系列涡轮丝杠升降机
- 电话: 027-67125621
- 邮箱:
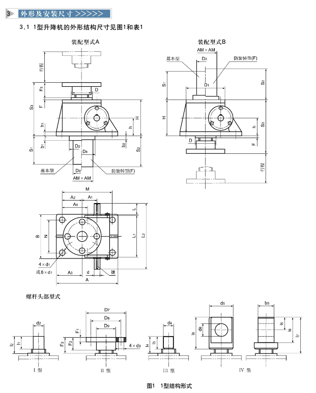
SWL系列涡轮丝杠升降机是由蜗轮蜗杆、箱体、轴承、丝杠等零部件组成。工作原理为:电机或者手动驱动蜗杆旋转,蜗杆驱动蜗轮减速旋转,蜗轮内腔加工为内螺纹,驱动丝杠上下移动,由于内部有蜗轮蜗杆,丝杠的减速作用,达到放大推力的作用。最重要特点是:自锁性能、同步性、精度定位、速度控制、推力控制。广泛应用于升降舞台,同步升降台,钢铁/造纸/军工等行业。

联系我们
